HOME   EchoLink® Hardware
Bastelprojekte


1) Einfache Selbstbau-Schnittstelle / PTT-Schaltstufe zwischen PC und TRX
 



Ein einfaches Interface ist schnell
auf einer simplen Lochrasterplatine
zusammengelötet.

Quelle: DG2IAQ

 


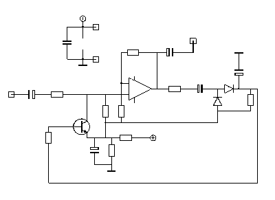
2) NF-Regelverstärker

EchoLink® reagiert leider sehr empfindlich auf unterschiedliche NF-Pegel. Wenn die aus dem Transceiver kommende NF, die in die Soundkarte des PC eingespeist wird, zu leise ist, ist die Verständlichkeit bei der Gegenstation beeinträchtigt. Bei zu hohem Pegel gerät man schnell in eine Begrenzung, was das Signal erheblich verzerrt. Der nachfolgende NF-Regelverstärker wurde von Andreas (DL5MGD) entwickelt und bei mir nachgebaut. Er gleicht mit einer langsamen Regelung die unterschiedliche Lautstärke aus und liefert in die Soundkarte des PC einen konstanten NF-Pegel, ohne allerdings das Signal zu begrenzen oder in Sprachpausen zu "pumpen".
 
 


Quelle: DL5MGD

 


3) Eigenbau EchoLink-Soundkarten-Interface nach DL5MGD

Als verbesserter Nachbau des G3VFP EchoLink® Controllers hat ebenfalls Andreas (DL5MGD) eine Schaltungsunterlage sowie die Software entwickelt, damit man auch mit Eigenmitteln zu einem qualitativ wirklich hochwertigen Controller für die Zusammenschaltung eines Transceivers mit dem PC kommen kann. Dieses Interface ist auch für andere Soundkarten-Betriebsarten wie SSTV, PSK31, WSJT u.ä. bestens geeignet.

Der EchoLink® Controller trennt alle Signale galvanisch über NF-Übertrager. Die DTMF Auswertung erfolgt extern, da damit bessere Ergebnisse erzielt werden als mit dem im Programm selbst integrierten Software-Auswerter.

Wichtige Features des DL5MGD Controllers im Überblick:

  • Transceiverseite ist komplett von der PC Seite galvanisch getrennt (über NF-Übertrager und Optokoppler)
  • Echte RS232 Signallogik
  • VOX oder COR (positive oder negative Logik wählbar)
  • Sender PTT über Optokoppler
  • DTMF Dekodierung hoher Qualität
  • Automatische Stummschaltung der Empfänger-NF mit einstellbarer Zeitverzögerung um Klicks/Rauschfahnen zu entfernen
  • Variable aktive NF Regelung ("Equalizer") der an den PC weitergeleiteten Empfänger NF
  • Regelbarer Empfänger NF Pegel
  • Regelbarer Sender NF Pegel
  • LED-Anzeige für Stromversorgung, DTMF Dekodierung und COR
  • Auch für andere Digitale Betriebsarten nutzbar z.B. PSK31
  • Mit Zusatzplatine ("huckepack"): NF Regelverstärker für die Empfänger NF
  • Frei verfügbarer Sourcecode (Assembler und Hex Code) für entweder PIC16F84 oder PIC16F627 (mit MPLAB 6.41 von Microchip erstellt)
  • Layoutdateien als Target 3001 frei verfügbar

Andreas bietet gegen Unkostenerstattung an, Kleinstückzahlen der Platine anzufertigen, Kontakt unter seiner Webseite und  DL5MGD@darc.de


 


© Rainer Englert (DF2NU)  2005

  Neuigkeiten  
  EchoLink Technik  
  EchoLink Bedienung  
  Nodenummen weltweit  
  EchoLink Hardware  
              Schaltschema  
              Bastelprojekte  
              Kommerzielles  
  EchoLink Software  
  Repeater DB0EL-R  
  Linkstation DM0ZB-L  
  Support  
  Häufige Fragen  
  Weitere Links  
  Anmeldung bei DF2NU  
  Kontakt / Konto